
消声器
产品规格
用途:为风机降低噪声,及按环保要求所配用,是能有效阻止和减弱声能向四处传播的装置。
规格:按国家标准用户要求制作。
A、声学性能要求:应具有较好的消声特性,在一定的流速、温度、湿度、压力等工作环境下,在要求的频率范围内,有足够大的消声量,或在较宽的频率范围内,有满足需要的消声量:
B、空气动性能要求:消声器对气流的阻力要小,阻力系数要低,气流通过消声器时所产生的气流再生噪声要低。消声器不应影响空气动力设备的正常运行:
C、结构性能要求:消声器体积要小,重量轻,结构简单,便于加工、安装和维修:
D、外形及装饰要求:消声器的外形应美观大方,体积和外形应满足设备总体布局的限制要求:
E、综合要求:消声器要价格便宜,使用寿命长。选用时要进行综合分析评价,协调各方面的要求,以确定优秀方案;
2、消声器的安装应满足以下方面要求:
A、消声器的接口要牢固:消声器安装在需要消声设备上或管道上,消声器的连接要牢固,重量较大的消声器应支撑在专门的承重架上,要注意支撑架的强度和刚度:
B、应防止其它噪声传入消声器的后端:消声设备在机壳或管道辐射的噪声有可能传入消声器后端,致使消声效果下降,必要时可在消声器外壳或部份管道.上做隔声处理。再通过设备空调系统中,消声器应减量满足安装与靠近使用房间的地方,排气消声器应尽量安装在气流平衡的管段:
C、消声器安装场所应注意事项:消声器露天使用时加防雨罩,含粉尘的场所应加过滤器。一般通风消声器,通过他的气体含尘量应低于150mm/m3,不允许含水雾、油污、腐蚀性气体通过。
ZT100型消声器
Zp100型消声器是--种比较新型的消声产品,主要应用于各类通风空调系统中的噪声治理,可有效的降低空气动力性噪声。具有适用风量范围大,系列规格全,与标准风管配套性好,消声量高,气流阻力小,防火、防潮、防霉、防蛀等特点。特别适用于各类大型公共建筑,如广播电视大楼、电影院、会议厅。宾馆、酒楼、商场、写字楼、高级住宅等通风空调系列的消声,也适用于工厂企业通风空调系统消声。
ZP100型消声器系列共有49个不同规格,适用于风量为720~90000m3/h,消声量为15dB (A) /m,压力损失14-55Pa。ZP100型消声器消声片厚100mm,单节有效长度为1000mm,根据消声量需要及现场安装位置不同,可几节消声器串联组合时候用。.
ZT100型消声器性能表


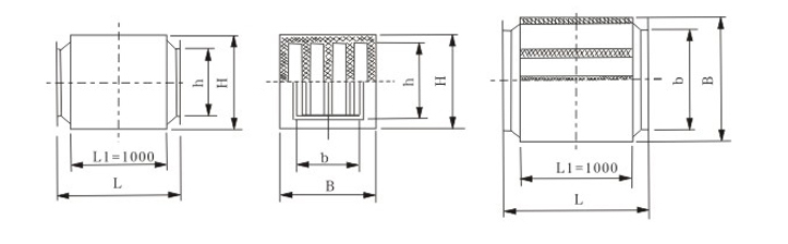
ZG型阻性管式消声器
Zg型阻性管式消声器一般安装在风机进、出风口,用于降低风机运行时的噪声。消声器为阻性消声器,分为圆形和方形两种,内壁用镀锌穿孔板制作,夹层填超细玻璃棉作吸声材料,复面层为玻璃丝布,镀锌穿孔板做成阻性吸声片,该产品气流阻损少,吸声效果好,当方形消声器截面≥630X630mm时,适当加阻性吸声片。

ZG型阻性管式消声器示意图
注:消声器的长度可根据用户要求制作,订货时需注明是总长度还是有效长度。
ZG型阻性管式消声器规格表


ZG消声器(配圆形壳体消声风机)示意图
注:消声器的长度L可根据用户要求制作
ZG消声器(配圆形壳体消声风机)规格表

T701-6型通风空调风机配套消声器
T701-6消声器是阻抗复合式消声器,阻性消声由骨架、架细玻璃棉为吸声材料的消声片来实现:抗性消声器由内管截面的突变(不连续)和内外管之间的膨胀室的作用来实现。消声器外壳呈矩形。本系列消声器共有10种规格,其中1-4号每节长度为1600mm,膨胀室为三室串联: 5-10号每节长度为900mm,膨胀室为二室串联。适用风量为2000- 60000m*/h,风速为6- 12m/s,低频消声量为10-15dB/m,中频消声量为15-25dB/m,高频消声量为25-30dB/m。
T701-6型消声器性能规格表

WX型微孔板消声器
WX型微孔板消声器为双腔式结构,吸收频带宽,对各频带消声量都较平直,消声量大,特别对低频部分消声效果明显,优于采用纤维性吸声材料结构的阻抗复合式消声器。
本系列消声器接管法兰口径按全国通用通风管道规格(方形、矩形、圆形)构成相应的配套系列。有效长度一般为2000mm。也可以根据用户要求生产,根据消声量的要求,可在中间串接若干段,消声器流速-般≤15m/s。

WX型微孔板消声器性能规格表

WX型微孔板消声器性能规格表

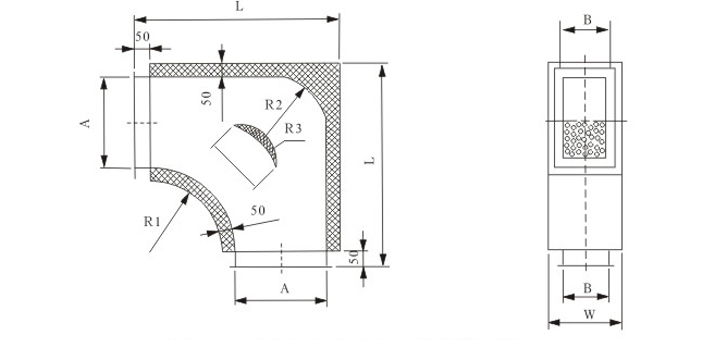
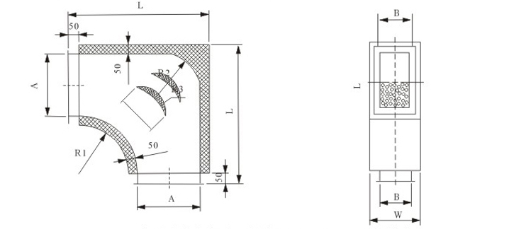
消声弯头
利用消声弯头是一-种简单有效的消声措施,消声弯头既可以改变风的传播方向,又可以使风机和风管的布置更加灵活、合理。消声弯头可以水平安装,也可以垂直安装,较大的弯头加导流板,在保证空气动力性能的前提下,将管道做成直角内圆弧的消声弯头。消声弯头主要适合于各类通风空调系统中的噪声治理,适用风量范围大,系列规格全,可以同标准风管配套连接,具有消声性能优,气流阻力小,安装方便等特点。

1、水平式消声弯头(长边200-400mm)

水平式消声弯头(长边200-400mm)规格表

2、水平式消声弯头(长边500-630mm)

水平式消声弯头(长边500-630mm)规格表

3、水平式消声弯头(长边700-1000mm)(1000mm以上按此类推)

水平式消声弯头(长边700-1000mm)规格表
