
风机电气(消防)控制箱
产品规格
工作原理:本电控箱电源为三相五线制供电,三相电源可上进,也可下进。接至电控箱底部的端子排中,装设的自动空气开关QF做双速风机短路保护,热继电器FR用作低速过载保护。
FQ型风机配用电控箱分类
1、按转速分
●单速控制箱:风机仅- -种转速。
●双速控制箱:风机为变极调速,分低速和高速。
●变频控制箱:变频风机,采用变频器变频调速,建议频率锁定在25HZ- 50HZ 。
2、按启动方式
●直接启动:适用于小功率(一般建议功率小于18.5kw)单速风机。
●星三角启动: 适用于大功率单速风机(一般建议功率大于等于18. 5kw)。
●软启动: 适用大功率风机。
●自藕变压器降压起动:适用大功率风机。
●变频启动:适用于变频风机。
3、命名

FQ型风机配用电控箱接线与控制要求
1、单速风机

2、双速
双速风机控制原理:本公司双速风机所配双速点击其定子绕组为O/YY (或Y/YY) 接法,调速基本原理通过改变电机定子绕组间的连接方式,使其改变级数已达到调速目的,低速工作时为△(或Y)方式,高速一工作时为YY方式。风机电控箱所配的断路器、保护装置及其他电器元件,必须按风机额定容量正确合理选用。
3、变频控制
本公司生产的变频风机,其变频电机由主电机和冷却风扇点击组成,冷却电机主要用于对主电机散热作用,不具有变频功能,故必须通过一套控制器对其单独控制,控制要求与主电机连锁,即主电机与冷却电机同时启动、停止、冷却点击有故障时,主电机必须自动停止。不允许冷却风扇电机与变频电机并联使用,因为冷却风扇风机不是变频电机,否则极易引起冷却风扇电机损坏。由于变频电机已经比较普及,为常规产品,故在设计、制造电控制箱时应考虑到冷却风扇电机的存在。

FQ型风机专用电控箱控制原理图
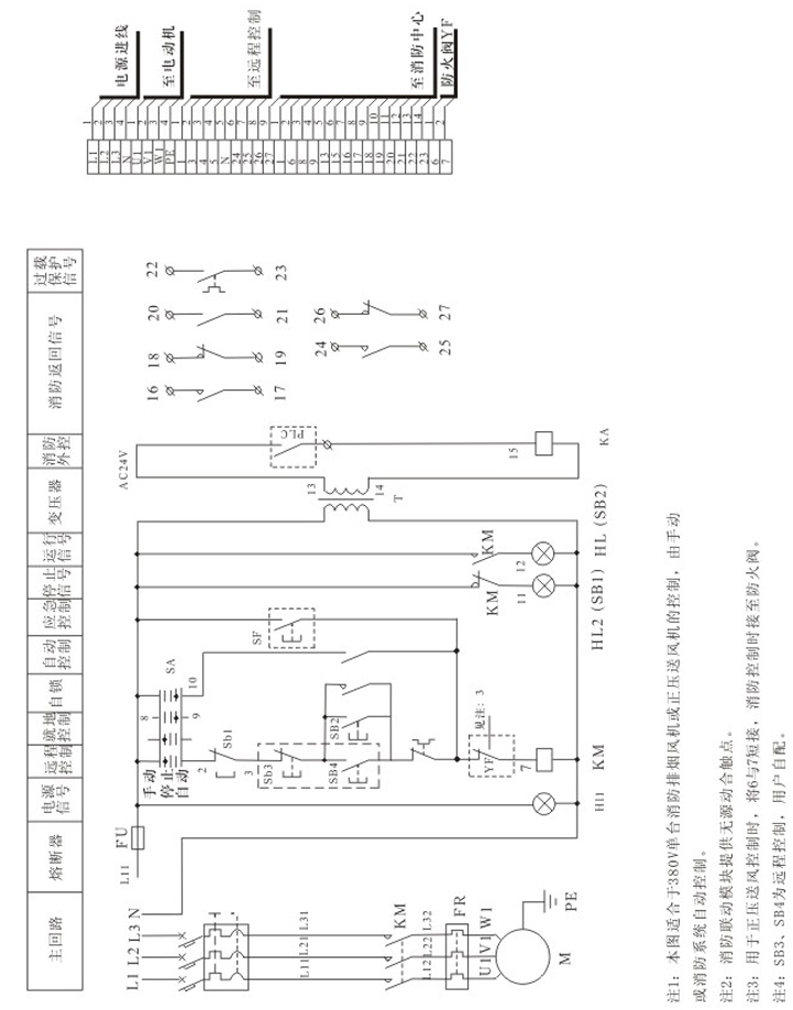
4.1再此提供本公司常规单速消防(正压)风机控制原理图和双速消防(正压)风机控制原理图,适合于380V单台消防排烟风机或正压送风机的控制,有手动或消防系统自动控制,消防联动模块需提供无源动合触点。对软启动和变频控制根据不同品牌的元器件需专门设计。
4.2原理图中变压器功率应大于10VA。
4.3原理图中热保护继电器整定电流应是风机电机额定电流值。
4.4原理图中断路器容量应是风机额定电流的2倍,下表提供了本公司风机配用控制箱所需断路器
容量。

单速消防(正压)风机控制原理图(仅供参考)