
DTF可逆转地铁隧道轴流风机
产品规格
特点:风机运用国际航空航天气动设计要求,通过多次反复试验验证和用户使用证明,具有效率高并高效区宽,正反转等效率的显著特点。
用途:地铁隧道专用轴流风机
规格:
风机直径:Φ1250~2800mm,
风量:53950~793027m?/h,
风压:205~1391Pa
用途:地铁隧道专用轴流风机
规格:
风机直径:Φ1250~2800mm,
风量:53950~793027m?/h,
风压:205~1391Pa
产品概述
一、概述
威廉希尔凭二十多年专业研制开发专用特种风机的经验,在充分调研和实地考察北京、上海、香港等海内外地铁通风系统的基础上,联合北京航空航天大学,上海交通大学,运用中国空气动力研究与发展中心实验和中国航空燃气涡轮研究所实验室的试验机理研究,并通过大量的风机通道涡系试验,对该风机建立数字模型,进行反复运算、精心设计,最大限度地减少叶尖与叶根处的有害涡系,以达到高效率,低噪声,结构紧凑,运行可靠的目的。
在吸收国际先进技术的基础上,还得到国内地铁,隧道设计院专家的热情帮助、指导,成功开发了品质卓越的地铁、隧道专用风机。现DTF(R)(R)系列风机(TVF风机)已通过国内权威专家鉴定和用户实际应用证明,具有效率高,噪声低,正反转切换时间短(<30秒钟>),耐高温(经国家级检测中心检测合格),结构紧凑,运行平稳等显著特点,与会专家一致认为已达到国际先进水平。威廉希尔还引进并专门开发气压随机可调风机叶角的新技术和防喘振装置新产品,以进一步适应地铁,隧道特定条件下的使用要求。
二、DTF(R)(R)系列风机特点
效率高:风机运用国际全新航空航天气动设计技术,通过多次反复试验验证和用户使用证明,具有效率高且高效区宽,正反转等效率的显著特点。
噪声低:从降低风机气动噪声入手,大限度地减小风机叶片顶尖和根部的涡系损失,经实验使用证明和权威专家鉴定,具有低噪声的显著特点。
用途广:根据地铁、隧道的使用要求,威廉希尔采用防腐、防潮、高绝缘等级、热湿型,耐高温电机,使该风机能可靠地应用于地铁、隧道通风系统通(排)风,并在紧急状态下的消防排烟系统应用(280℃温度条件下可连续运行45分钟,180℃运行1个小时以上);
强度高:风机叶轮系引进国际先进压铸造工艺技术,其铝合金叶片、轮毂经金相分析,结构组织良好,通过X光射线探伤检验,风机叶轮与风筒已考虑280℃条件下膨胀系数。使其保证足够的叶轮强度,符合高速运行的要求;
结构紧凑:风机静叶和导流装置的设计以尽可能缩短风机外壳的长度,机壳和固定支架通过有限元强度计算,以保证地铁特定条件的使用要求;
切换时间短:风机采用能耗止动方式,经多次反复试验证明,风机正反转切换并达到额定转速时间小于30秒;
抗腐蚀性强:风机外壳经热浸镀锌处理,电机采用湿热型,风机叶片、轮毂采用铝合金材料,表面经阳极化处理,具很强的抗腐蚀性;
运行可靠:风机叶轮经中外合资的动平衡机精确校验,上海交通大学国家风机技术研究中心自动测试系统测试,其平衡精度达到ISO-2.8级(高于国家5.6级的标准),整机出厂前,风机经叶轮超速试验和整机振动测试、气动全性能试验,使其达到运行平稳、可靠的要求;
耐高温:本系列风机由国家消防检测部门抽检12.5#风机送上海做耐高温试验,实验证明,280℃条件下运行45分钟后和180℃运行1小时后,还可以持续运行。
防喘振:本风机设有防喘振装置,可以在风机偏离运行工况条件下或紧急状态下不发生喘振。
三、DTF(R)(R)系列风机结构形式
风机由叶轮、电机、机壳、集(导)流器、导叶、防喘振装置、固定支架,减震器等部件组成、分卧式安装和立式安装二种形式。
风机叶轮:有轮毂、叶片组成,其风机叶片分固定、动调、静调三种方式、静调或动调叶片可在-7.5°~7.5°范围内调节,动调风机又分为气压式和电动式二种,可在连续运行状态下调节叶片角度。
风机配套电机:采用IP55(IP54)防护等级、H(F)级绝缘,湿热性电机,其电机配套轴承采用SKF电机末端全封闭式。接线盒安装在风机外壳。
风机外壳的叶轮装配段:内壁经金属切削加工以保证控制叶片的径向间隙,长度和重量以降低到最低(小)值为目标进行设计;
风机导叶、集流器和导流器:分别为静态安装,以尽可能考虑较大的效能和较小的体积;
风机安装支架:确保风机整机强度的前提下,使其达到重量较轻和安装方便的要求;
风机固定叶角,静、动态可调叶角:固定叶轮是指叶轮与叶片固定;静态可调是指停机后,拧松叶柄螺栓,人工调节叶片角度;动态可调是指风机运行状态下按使用工况要求任意调节叶片角度,并可以根据温度和湿度要求进行自动控制调节叶片角度;
防喘振装置:可以防止风机发生喘振的现象,保证风机长期在稳定状态下运行,特别在隧道晋级状态下,保证安全、可靠;
风机正方转切换装置:与风机电控系统合并安装,具有切换时间短(<30分钟),安装方便、可靠性强的特点;
风机减震器:装在支架和机座之间,固定叶角和动态可调叶角的风机由于动负荷不一,采用不同的减振器,专门经设计计算配置。
风机拆装维修方式:应先拆掉风机二端的软接管(将其塞到风机段或扩压断)和风机末端的空间段,拧松固定地脚螺栓,即可任意移动风机位置进行维修。
威廉希尔凭二十多年专业研制开发专用特种风机的经验,在充分调研和实地考察北京、上海、香港等海内外地铁通风系统的基础上,联合北京航空航天大学,上海交通大学,运用中国空气动力研究与发展中心实验和中国航空燃气涡轮研究所实验室的试验机理研究,并通过大量的风机通道涡系试验,对该风机建立数字模型,进行反复运算、精心设计,最大限度地减少叶尖与叶根处的有害涡系,以达到高效率,低噪声,结构紧凑,运行可靠的目的。
在吸收国际先进技术的基础上,还得到国内地铁,隧道设计院专家的热情帮助、指导,成功开发了品质卓越的地铁、隧道专用风机。现DTF(R)(R)系列风机(TVF风机)已通过国内权威专家鉴定和用户实际应用证明,具有效率高,噪声低,正反转切换时间短(<30秒钟>),耐高温(经国家级检测中心检测合格),结构紧凑,运行平稳等显著特点,与会专家一致认为已达到国际先进水平。威廉希尔还引进并专门开发气压随机可调风机叶角的新技术和防喘振装置新产品,以进一步适应地铁,隧道特定条件下的使用要求。
二、DTF(R)(R)系列风机特点
效率高:风机运用国际全新航空航天气动设计技术,通过多次反复试验验证和用户使用证明,具有效率高且高效区宽,正反转等效率的显著特点。
噪声低:从降低风机气动噪声入手,大限度地减小风机叶片顶尖和根部的涡系损失,经实验使用证明和权威专家鉴定,具有低噪声的显著特点。
用途广:根据地铁、隧道的使用要求,威廉希尔采用防腐、防潮、高绝缘等级、热湿型,耐高温电机,使该风机能可靠地应用于地铁、隧道通风系统通(排)风,并在紧急状态下的消防排烟系统应用(280℃温度条件下可连续运行45分钟,180℃运行1个小时以上);
强度高:风机叶轮系引进国际先进压铸造工艺技术,其铝合金叶片、轮毂经金相分析,结构组织良好,通过X光射线探伤检验,风机叶轮与风筒已考虑280℃条件下膨胀系数。使其保证足够的叶轮强度,符合高速运行的要求;
结构紧凑:风机静叶和导流装置的设计以尽可能缩短风机外壳的长度,机壳和固定支架通过有限元强度计算,以保证地铁特定条件的使用要求;
切换时间短:风机采用能耗止动方式,经多次反复试验证明,风机正反转切换并达到额定转速时间小于30秒;
抗腐蚀性强:风机外壳经热浸镀锌处理,电机采用湿热型,风机叶片、轮毂采用铝合金材料,表面经阳极化处理,具很强的抗腐蚀性;
运行可靠:风机叶轮经中外合资的动平衡机精确校验,上海交通大学国家风机技术研究中心自动测试系统测试,其平衡精度达到ISO-2.8级(高于国家5.6级的标准),整机出厂前,风机经叶轮超速试验和整机振动测试、气动全性能试验,使其达到运行平稳、可靠的要求;
耐高温:本系列风机由国家消防检测部门抽检12.5#风机送上海做耐高温试验,实验证明,280℃条件下运行45分钟后和180℃运行1小时后,还可以持续运行。
防喘振:本风机设有防喘振装置,可以在风机偏离运行工况条件下或紧急状态下不发生喘振。
三、DTF(R)(R)系列风机结构形式
风机由叶轮、电机、机壳、集(导)流器、导叶、防喘振装置、固定支架,减震器等部件组成、分卧式安装和立式安装二种形式。
风机叶轮:有轮毂、叶片组成,其风机叶片分固定、动调、静调三种方式、静调或动调叶片可在-7.5°~7.5°范围内调节,动调风机又分为气压式和电动式二种,可在连续运行状态下调节叶片角度。
风机配套电机:采用IP55(IP54)防护等级、H(F)级绝缘,湿热性电机,其电机配套轴承采用SKF电机末端全封闭式。接线盒安装在风机外壳。
风机外壳的叶轮装配段:内壁经金属切削加工以保证控制叶片的径向间隙,长度和重量以降低到最低(小)值为目标进行设计;
风机导叶、集流器和导流器:分别为静态安装,以尽可能考虑较大的效能和较小的体积;
风机安装支架:确保风机整机强度的前提下,使其达到重量较轻和安装方便的要求;
风机固定叶角,静、动态可调叶角:固定叶轮是指叶轮与叶片固定;静态可调是指停机后,拧松叶柄螺栓,人工调节叶片角度;动态可调是指风机运行状态下按使用工况要求任意调节叶片角度,并可以根据温度和湿度要求进行自动控制调节叶片角度;
防喘振装置:可以防止风机发生喘振的现象,保证风机长期在稳定状态下运行,特别在隧道晋级状态下,保证安全、可靠;
风机正方转切换装置:与风机电控系统合并安装,具有切换时间短(<30分钟),安装方便、可靠性强的特点;
风机减震器:装在支架和机座之间,固定叶角和动态可调叶角的风机由于动负荷不一,采用不同的减振器,专门经设计计算配置。
风机拆装维修方式:应先拆掉风机二端的软接管(将其塞到风机段或扩压断)和风机末端的空间段,拧松固定地脚螺栓,即可任意移动风机位置进行维修。
产品参数及说明
DTF(R)-2.8(6叶)系列地铁、隧道轴流风机性能表

DTF(R)-3.15(6叶)系列地铁、隧道轴流风机性能表

DTF(R)-3.55(6叶)系列地铁、隧道轴流风机性能表

DTF(R)-4(6叶)系列地铁、隧道轴流风机性能表

DTF(R)-4.5(6叶)系列地铁、隧道轴流风机性能表

DTF(R)-5(6叶)系列地铁、隧道轴流风机性能表

DTF(R)-5(9叶)系列地铁、隧道轴流风机性能表

DTF(R)-5.6(6叶)系列地铁、隧道轴流风机性能表

DTF(R)-5.6(9叶)系列地铁、隧道轴流风机性能表

DTF(R)-6.3(6叶)系列地铁、隧道轴流风机性能表

DTF(R)-6.3(9叶)系列地铁、隧道轴流风机性能表

DTF(R)-7.1(6叶)系列地铁、隧道轴流风机性能表

DTF(R)-7.1(9叶)系列地铁、隧道轴流风机性能表

DTF(R)-8(6叶)系列地铁、隧道轴流风机性能表

DTF(R)-8(9叶)系列地铁、隧道轴流风机性能表

DTF(R)-10(9叶)系列地铁、隧道轴流风机性能表

DTF(R)-11.2#可逆转地铁、隧道轴流风机性能表(n=960r/min)

DTF(R)-11.2#可逆转地铁、隧道轴流风机性能表(n=1450r/min)

DTF(R)-12.5#可逆转地铁、隧道轴流风机性能表(n=985r/min)

DTF(R)-12.5#可逆转地铁、隧道轴流风机性能表(n=1450r/min)

DTF(R)-14#可逆转地铁、隧道轴流风机性能表(n=740r/min)

DTF(R)-14#可逆转地铁、隧道轴流风机性能表(n=985r/min)

DTF(R)-16#可逆转地铁、隧道轴流风机性能表(n=740r/min)

DTF(R)-16#可逆转地铁、隧道轴流风机性能表(n=985r/min)

DTF(R)-18#可逆转地铁、隧道轴流风机性能表(n=740r/min)

DTF(R)-18#可逆转地铁、隧道轴流风机性能表(n=985r/min)

DTF(R)-19#可逆转地铁、隧道轴流风机性能表(n=740r/min)

DTF(R)-19#可逆转地铁、隧道轴流风机性能表(n=985r/min)

DTF(R)-20#可逆转地铁、隧道轴流风机性能表(n=740r/min)

DTF(R)-20#可逆转地铁、隧道轴流风机性能表(n=985r/min)

DTF(R)-22#可逆转地铁、隧道轴流风机性能表(n=590r/min)

DTF(R)-22#可逆转地铁、隧道轴流风机性能表(n=740r/min)

DTF(R)-24#可逆转地铁、隧道轴流风机性能表(n=590r/min)

DTF(R)-24#可逆转地铁、隧道轴流风机性能表(n=740r/min)

DTF(R)-26#可逆转地铁、隧道轴流风机性能表(n=590r/min)

DTF(R)-26#可逆转地铁、隧道轴流风机性能表(n=740r/min)

DTF(R)-28#可逆转地铁、隧道轴流风机性能表(n=590r/min)

DTF(R)-28#可逆转地铁、隧道轴流风机性能表(n=740r/min)

DTF系列地铁、隧道轴流风机外形尺寸及性能参数
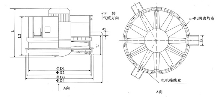
DTF(R)系列可逆转隧道轴流风机外形尺寸
DTF(R)系列可逆转隧道轴流风机卧式安装外形尺寸表

DTF(R)系列可逆转隧道轴流风机卧式安装外形尺寸表

DTF(R)系列可逆转隧道轴流风机立式安装外形尺寸示意图

DTF(R)系列可逆转隧道轴流风机立式安装外形尺寸表

其他产品